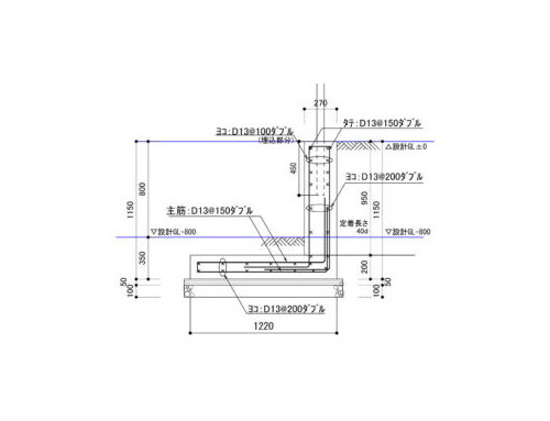
敷地と道路の地盤面の高さに違いがあり、土地に擁壁がなく、土が斜めになっているような状態の場合、擁壁をつくらなければなりません。以前設計をした住宅では駐車場スペースをとったあとに擁壁をつくり、擁壁をつくった高さのところに建物を建てています。「中庭を眺めるスタディスペースのある家」
断面図をみてもわかるように結構スペースが必要です。ただ、道路にもっと近い位置につくりたいときは別の形状もあります。
敷地に既存の擁壁があるとき、古かったり状態が悪いときは改修が必要になりますが、工事費は安いものではありません。そこで、自治体によっては助成金を出しているところもあります。例えば品川区の場合も助成金があります。こういう制度も上手に利用するとよいと思います。
・がけ・擁壁の安全化対策支援について
関連するディスカッション
賢い家づくりミーティング【これからの家づくり】
Q
<全国対応>こんな時だからこそ…【無料】オンライン家づくり相談会 開催中
Q
家づくりcafe〜家づくり雑談会〜 【オンライン+オフライン開催】これからの暮らしと住まい。
Q
あなたに合った家づくり【これからの家づくり勉強会】
Q